TEL:0086 769 3321 9445

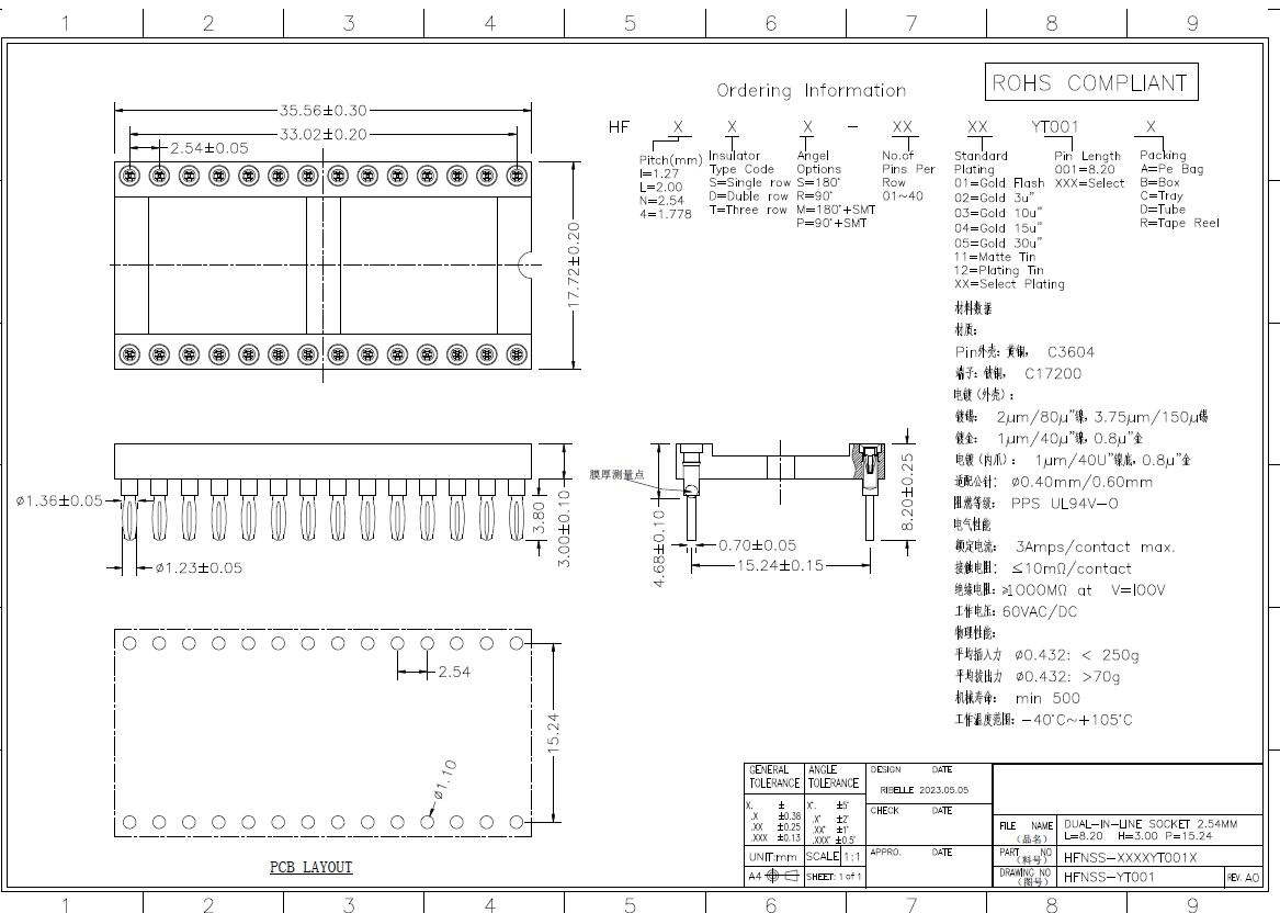
Press-fit IC socket 2.54 mm, Solderless press-fit mount

Press-fit IC socket 2.54 mm, Solderless press-fit mount
Characteristic
Model parameter
Visiting factories
Related drawings
Press-fit IC socket
Classification
 
Pitch:
2.54mm/0.1"
Number of Row:
TWO
Mount Type:
Straight(DIP)