TEL:0086 769 3321 9445

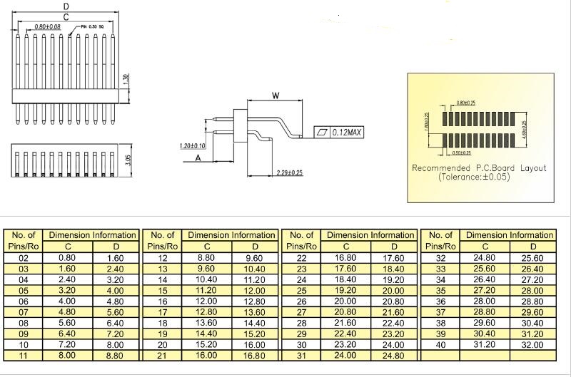
0.8mm x1.2mm pitch dual row right angle SMT male header

0.8mm x1.2mm pitch dual row right angle SMT male header
Characteristic
Model parameter
Visiting factories
Related drawings

0.8x1.2mm Male header HMFDP13

0.8mm x1.2mm pitch dual row right angle SMT male header
Classification
 
Pitch:
0.8mm/0.031"
Number of Row:
TWO
Mount Type:
S.M.T/Right angle